High precision 7215 Angular contact bearing
The angular contact bearing 7215 is a kind of rolling-element bearing that helps each radial and axial (thrust) masses and operates at excessive speeds. This kind of bearing consists of an internal and outer ring with raceways that are designed at an perspective to the bearing axis, and the balls or rollers make contact with the internal and outer races at a particular point.
High precision 7215 Angular contact bearing
7205AC is angular contact bearing with nylon cage. There are also steel and brass cage.
The angular contact bearing 7215 has a bore size of 75mm, an outer diameter of 130mm, and a width of 25mm. It is commonly made of chrome steel or stainless steel and is designed to withstand high-speed and high-load conditions. It is commonly used in machine tools, motors, and pumps.
During installation or maintenance, it is important to follow manufacturer guidelines, use appropriate tools, and ensure proper lubrication to prolong its lifespan and ensure optimal performance. Regular inspections and replacement of worn or damaged bearings will help to prevent equipment failure and downtime.
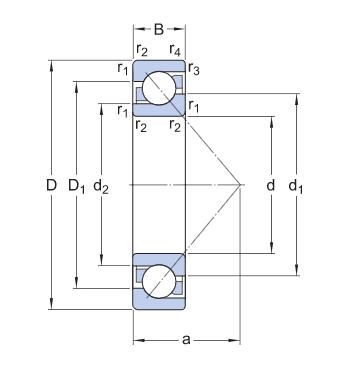
Diameter
75 mm | Bore diameter |
130 mm | Outside diameter |
25 mm | Width |
≈96.3 mm | Shoulder diameter of inner ring (large side face) |
≈85.25 mm | Shoulder diameter of inner ring (small side face) |
≈110.1 mm | Shoulder diameter of outer ring (large side face) |
56 mm | Distance side face to pressure point |
min.1.5 mm | Chamfer dimension |
min.1 mm | Chamfer dimension |
Discription
High quality steel: ultra-clean steel makes bearing extends life up to 80%. |
Llubrication technology: Best lubrication grease extend products life and performance. |
High-grade balls: quiet and smooth operation even in the case of high-speed. It also can maintain smooth operation. |
Super finished raceway: special grinder, to reduce the occurrence of noise, improve the distribution of lubricating oil and life. |
Contact Angle: 15,25,30 and 40 degrees. |
Good seals resistance to pollution in harsh environment. |
Cage: reference application range is nylon, steel, brass cage components etc. |
Quality assurance: 100% test carefully to ensure the quality of the whole product. |



