3202-2RS Dual-column Angular Contact Ball Bearings
3202-2RS Double row angular contact ball bearings correspond, of their design and operation, to a couple of unmarried rows angular contact ball bearings in a lower back-to-again association, while requiring less axial area. they could function at high speeds and are more appropriate than deep groove ball bearings for supporting massive axial forces in both guidelines.
High-speed functionality.
Accommodate relatively excessive radial masses, excessive axial loads in each direction, and tilting moments
Suitable wherein a stiff bearing association is needed.
Require less axial area than equivalent pair of single-row angular touch ball bearings.
3202-2RS Dual-column Angular Contact Ball Bearings
The bearings are made of bearing steel, which has durability and rust resistance, corrosion resistance and deformation resistance under the reload
The rolling bearing uses the scroll body to maintain the separation between motion components to reduce rotation friction and tolerate radial and axial loads, small friction, high extreme speed speed
The bearings have a dust cover that can prevent the lubricant from leaking and prevent pollutants from entering; protect the work components of the bearing from the impact of the might be introduced. These debris may reduce the speed and service life of the roller bearing
The rolling shaft is bears a series of applications such as agricultural machinery to transportation equipment, robots, dental equipment, elevators, rolling machines, rudder shafts, aggregate crusher, skateboarding, in -line wheels, and pedal.
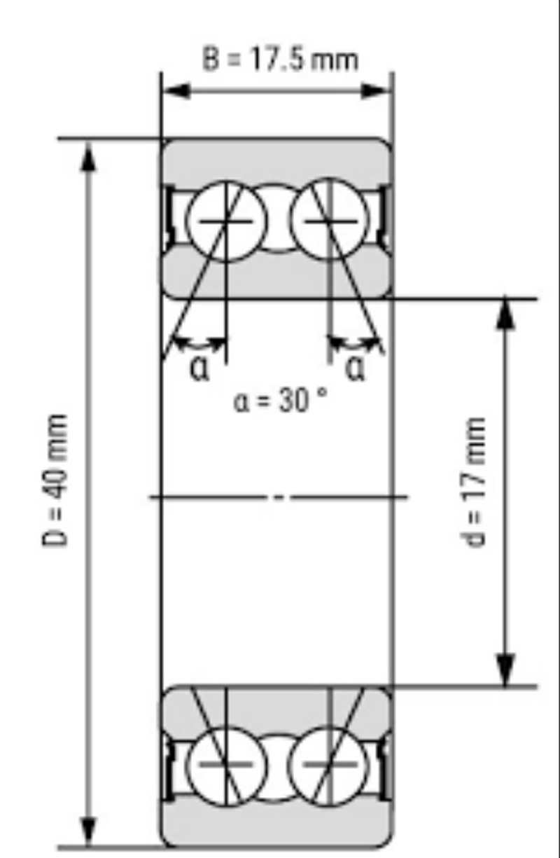
Detailed parameters and installation dimensions:
Model | 3203-2RS (5203-2RS) |
Seal Type | Double Sealed |
Inner Race/Outer Race Material | Chrome Steel (GCr15) |
Cage Material | Stamping Steel |
Inner Diameter (d) | 17mm |
Outer Diameter (D) | 40mm |
Thickness (B) | 17.5mm |
Dynamic Load Rating (Cr) | 13.8kN |
Static Load Rating (Cor) | 18.2kN |
Accuracy Class | P0 (ABEC-1) |
Noise Level | Z1 |



