7206 BECBM Angular Contact Ball Bearings
Single row angular contact ball bearing
These single row angular contact ball bearings can accommodate radial and axial masses appearing simultaneously, the place the axial load acts in one route only. They can function at excessive speeds and, relying on the variant, even very excessive speeds. They are greater appropriate than deep groove ball bearings for assisting giant axial forces appearing in one direction.
7206BECBM is one of the angular contact bearings, which has high speed capability and can withstand high radial loads.The bearings are designed to meet the growing demands of users who require reliable, durable and efficient machine and equipment components.
This product is made of high-quality materials to ensure its durability and longevity. It is manufactured using advanced technology that guarantees its precision and accuracy, making it perfect for demanding applications requiring high load capacity and low friction.
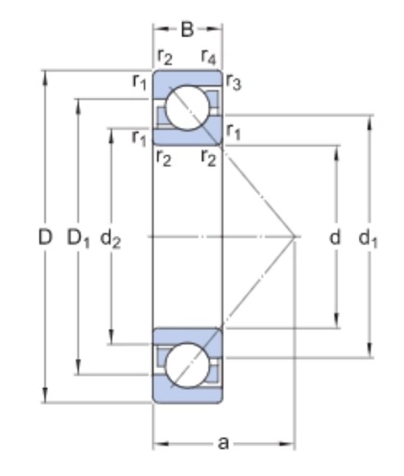
Dimensions
d | 30 mm | Bore diameter |
D | 62 mm | Outside diameter |
B | 16 mm | Width |
d1 | ≈42.65 mm | Shoulder diameter of inner ring (large side face) |
d2 | ≈36.13 mm | Shoulder diameter of inner ring (small side face) |
D1 | ≈50.1 mm | Shoulder diameter of outer ring (large side face) |
a | 27.3 mm | Distance side face to pressure point |
r1,2 | min.1 mm | Chamfer dimension |
r3,4 | min.0.6 mm | Chamfer dimension |
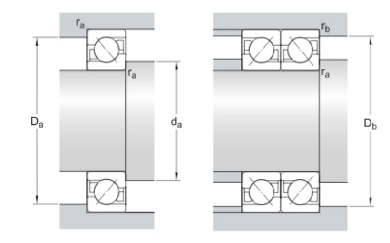
Abutment dimensions
da | min.35.6 mm | Diameter of shaft abutment |
Da | max.56.4 mm | Abutment diameter housing |
Db | max.57.8 mm | Diameter of housing abutment |
ra | max.1 mm | Radius of fillet |
rb | max.0.6 mm | Radius of fillet |
Mass
Mass | 0.2 kg |
The 7206 BECBM angular contact bearing is a versatile product used in a variety of applications including pumps, compressors, generators and other industrial equipment. These bearings have excellent corrosion and wear resistance, allowing smooth and efficient operation even under harsh conditions.
One of the main features of this bearing is its ability to accommodate high radial and axial loads, thanks to the design of its inner and outer ring raceways. This design allows for a larger contact angle, which distributes the load evenly across the bearing, minimizing the risk of premature wear and damage.




