Cylindrical roller bearing NJ2212
Features of cylindrical roller bearing NJ2212M/C3
1. Roller and raceway for line contact or repair line contact, radial bearing capacity is large, suitable for bearing heavy loads and impact loads.
2. Small friction coefficient, suitable for high speed, limit speed close to deep groove ball bearings.
3. It can move axially, can adapt to the change of the relative position of the shaft and the housing caused by thermal expansion or installation error, and can be used as a free end support.
4. The processing requirements for the shaft or housing hole are higher, and the relative deviation of the outer ring axis after the bearing installation should be strictly controlled to avoid contact stress concentration.
5. The inner ring or outer ring can be separated for easy installation and disassembly.
Cylindrical Roller Bearing NJ2212M/C3. It's brass cage type, C3 clearance.
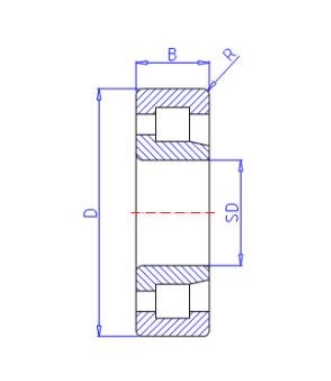
DIMENSION
SD 60mm INNER RING
D 110mm OUTER RING
B 28mm WIDTH
R 1.5mm (MIN)
R 11.5mm (MIN)
The cylindrical roller and the raceway are linear contact bearings. Large load capacity, mainly bear radial load. The friction between the rolling element and the rim of the ring is small, which is suitable for high-speed rotation. According to the flange of the ring, it can be divided into nu, nj, nup, n, nf and other single-row bearings, and nnu, nn and other double-row bearings.


